
产品介绍
产品名称:G841W(无衬里)电动隔膜阀
产品型号:G841W/H/T
品牌:鑫荣达
产地:温州
G841W(无衬里)电动隔膜阀介绍
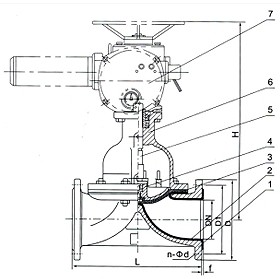
G841W(无衬里)、G941J(衬胶)部件列表: 1、阀体 2、阀体衬里 3、隔膜 4、阀瓣 5、下阀杆 6、阀盖 7、气缸 8、活塞 9、气缸盖 10、上阀杆 11、手轮
设计与制造:GB122239
结构长度:GB12221、JB1688
法兰连接尺寸:GB4216、JB78
一、用途
用途:本阀专用于控制非腐蚀性或一般腐蚀性介质,阀体内腔表面无衬里或覆有可供选择的各种橡胶,适用于不同工作温度和流体管路。适用温度:≤85℃、≤100℃、 ≤120℃、≤150℃(按照衬里和隔膜材料)
压力等级:PN0.6、1.0、1.6
二、材料
阀体:铸铁、球墨铸铁、碳钢、不锈钢
阀盖:铸铁、球墨铸铁、碳钢、不锈钢
衬里:无衬里、橡胶
隔膜:橡胶
阀瓣:铸铁、碳钢
阀杆:碳钢
电动装置:组合件
三、测试
衬里层:电火花检测
试验与检验按GB/T13297标准
公称压力:PN(Mpa)阀体:PN×1.5
密封:PN×1.1
-
主要尺寸及重量
|
DN |
公称压力 |
工作压力 |
L |
D |
D1 |
n-φd |
f |
h |
型号 |
输出力矩 |
启闭时间 |
质量 |
|
|
15 |
0.6 |
0.6 |
125 |
95 |
65 |
4-14 |
2 |
|
|
|
|
|
|
|
20 |
135 |
105 |
75 |
4-14 |
2 |
|
|
|
|
|
|||
|
25 |
145 |
115 |
85 |
4-14 |
2 |
4445 |
Z5-18/16 |
50 |
17 |
40 |
|||
|
32 |
160 |
140 |
100 |
4-18 |
2 |
457 |
Z5-18/16 |
50 |
20 |
42 |
|||
|
40 |
180 |
150 |
110 |
4-18 |
3 |
466 |
Z5-18/16 |
50 |
14 |
45 |
|||
|
50 |
210 |
165 |
125 |
4-18 |
3 |
480 |
Z10-18/16 |
50 |
20 |
50 |
|||
|
65 |
250 |
185 |
145 |
4-18 |
3 |
517 |
Z10-18/16 |
150 |
28 |
60 |
|||
|
80 |
300 |
200 |
160 |
4-18 |
3 |
539 |
Z10-36/25 |
100 |
16 |
70 |
|||
|
100 |
350 |
220 |
180 |
8-18 |
3 |
576 |
Z10-36/25 |
100 |
17 |
80 |
|||
|
125 |
400 |
250 |
210 |
8-18 |
3 |
634 |
Z15-18/25 |
150 |
32 |
104 |
|||
|
150 |
460 |
285 |
240 |
8-22 |
3 |
660 |
Z15-18/25 |
150 |
53 |
125 |
|||
|
200 |
0.4 |
570 |
340 |
295 |
8-22 |
4 |
860 |
Z20-18/25 |
200 |
53 |
180 |
||
|
250 |
680 |
395 |
350 |
12-22 |
4 |
|
Z20-18/25 |
200 |
53 |
280 |
|||
|
300 |
790 |
445 |
400 |
12-22 |
4 |
1003 |
Z20-18/25 |
300 |
45 |
434 |
|||
|
350 |
900 |
505 |
460 |
16-22 |
4 |
|
ZD30-36a |
300 |
45 |
|
|||
|
400 |
1000 |
565 |
515 |
16-25 |
4 |
|
|||||||
电动衬胶隔膜阀的启闭件是一块用软质材料制成的隔膜,把内腔与阀盖内腔及驱动部件隔开。采用橡胶或塑料等软质密封制作的隔膜,密封性较好。由于隔膜为易损件,应视介质特性而定期更换。 电动衬胶隔膜阀用于含硬质悬浮物的介质;由于电动衬胶隔膜阀介质只与阀体和隔膜接触,所以无需填料函,不存在填料函泄漏问题,对阀杆部分无腐蚀可能。欢迎新老客户来电咨询电动衬胶隔膜阀产品相关信息和资讯!

