
产品介绍

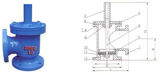
SSDF水上式底阀结构图
适用范围
SSDF水上式底阀设计合理,制造工艺先进,安装简单,使用检修方便,并具有磨擦阻力小、使用寿命长,节能5-7%等优点。是水下式底阀的更新换代产品。每台水泵都要安装一只底阀,底阀通常安装于水面以下,而水上式底阀则安装于水面以上。广泛用于石油、代工、纺织、印染、治金、矿山、排灌等行业的水泵配套使用。
结构特点
用作为底阀时,它可代替水下式底阀,安装与水面以上水平管与进水立管的90度转弯处即可。
用作为止回阀时,可安装在90度转变头上,即可代替弯头,少占空间。又起到止回作用,其密封性能独到,止回效果可达到滴水不漏,并没有阻尼装置,对水锤危害有一定的减缓作用。
节能效果显著,在正常工作使用时(按千吨/米耗电量)可节能5-7%左右,降低供水运行费用,使用半年,所节省电费可收回您所购买的此阀的投资费用,其节能效果是底阀所不能达到的。
本产品连接法全部符合国际规定,通风性能好。
外形尺寸表
| 公称通径 DN(mm) | D | D1 | A | B | ||
| 0.6MPa | 1.0MPa | 1.0MPa | 1.6MPa | |||
| 50 | 140 | 160 | 110 | 125 | 100 | 100 |
| 65 | 160 | 180 | 130 | 145 | 110 | 110 |
| 80 | 185 | 195 | 150 | 160 | 120 | 120 |
| 100 | 205 | 215 | 170 | 180 | 130 | 130 |
| 150 | 260 | 280 | 225 | 240 | 150 | 150 |
| 200 | 315 | 335 | 280 | 295 | 190 | 190 |
| 250 | 370 | 390 | 335 | 350 | 240 | 240 |
| 300 | 435 | 440 | 395 | 400 | 290 | 290 |
| 350 | 485 | 00 | 445 | 460 | 340 | 340 |
| 400 | 35 | 65 | 495 | 15 | 390 | 390 |
| 450 | 90 | 615 | 50 | 65 | 440 | 440 |
| 00 | 640 | 670 | 600 | 620 | 490 | 490 |
| 600 | 755 | 780 | 705 | 725 | 90 | 90 |

