
产品介绍

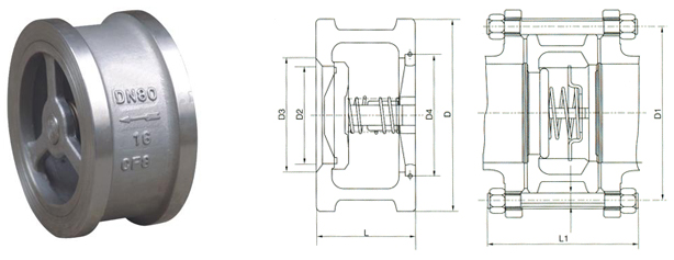
H72H/W对夹升降式止回阀结构图
适用范围
H72H/W对夹升降式止回阀由阀体、阀瓣、弹簧等组成,可以水平或垂直安装于多种管路系统,防止介质倒流作用,具有结构短、体积小、质量轻,阀瓣关闭快速,水锤压力小,流道通畅,流体阻力小,动作灵敏,密封性能好等优点。
结构特点
该对夹升降式止回阀水锤压力很小,阀瓣行程短、阀瓣轻巧、具有弹簧辅助关闭、关阀速度很快。结构长度很短、体积很小、重量很轻、为阀门的安装、搬运、存放及管道的布置带来很大的便利,并能大量节约材料、降低造价。
性能参数
| 型号 | 公称压力 PN(MPa) | 试验压力PS(MPa) | 工作温度 (℃) | 适用介质 | |
| 壳体 | 密封 | ||||
| H72W-16T | 1.6 | 2.4 | 1.76 | ≤200 | 水、蒸体、油品等 |
| H72H-25Q | 2.5 | 3.75 | 2.75 | ≤235 | |
| H72W-25H | ≤300 | ||||
| H72W-25P | ≤200 | 硝酸等腐蚀性介质 | |||
| H72W-40H | 4 | 6 | 4.4 | ≤300 | 水、蒸体、油品等 |
| H72W-40P | ≤200 | 硝酸等腐蚀性介质 | |||
零件材质
| 规格型号 | 阀体 | 阀瓣 | 弹簧 |
| H72H-16Q | QT400-15 | 25 | 50CrCA |
| H72W-25H | 2Cr13 | 1Cr13 | 1Cr18Ni9Ti |
| H72W-16P | ZG1Cr18Ni9Ti | 1Cr18Ni9Ti | 1Cr18Ni9Ti |
流体力学性能(流体阻力系数、流量系数及开启压力)
| 公称通径 | 阀门全开启时的流体阻力系数 | 常温下阀门全开启时的水讲E量系数 | 流体的流向 | |||||
| DN | NPS | Kvm3=/h | CVU.S | CVU.K | ↑ | ↓ | → | |
| 开启压力近似值KPa | ||||||||
| 15 | 1/2 | 6.4 | 2.6 | 3.0 | 2.5 | 3 | 2 | 2.5 |
| 20 | 3/4 | 5.1 | 6.4 | 7.5 | 6.3 | 3 | 2 | 2.5 |
| 25 | 4 | 4.1 | 12.6 | 14.8 | 12.3 | 3 | 2 | 2.5 |
| 32 | 1¼ | 4.1 | 19.7 | 23.1 | 19.3 | 3 | 2 | 2.5 |
| 40 | 1½ | 3.8 | 29.5 | 63.9 | 28.9 | 3 | 2 | 2.5 |
| 50 | 2 | 3.5 | 54.6 | 99.9 | 63.5 | 3 | 2 | 2.5 |
| 65 | 2½ | 3.5 | 85.4 | 150 | 83.7 | 3 | 2 | 2.5 |
| 80 | 3 | 3.2 | 128 | 286 | 125 | 3 | 2 | 2.5 |
| 100 | 4 | 2.8 | 244 | 286 | 249 | 3 | 2 | 2.5 |
| 125 | 5 | 2.9 | 375 | 439 | 368 | 3 | 1 | 2.2 |
| 150 | 6 | 3.1 | 522 | 611 | 512 | 3 | 1 | 2.2 |
| 200 | 8 | 3.2 | 915 | 1070 | 897 | 3 | 1 | 2.2 |
外形尺寸表
| 公称通径DN | 15 | 20 | 25 | 32 | 40 | 50 | 65 | 80 | 100 | 125 | 150 | 200 | |
| 结构长度 | 长系列 | 25 | 31.5 | 35.5 | 40 | 45 | 56 | 63 | 71 | 80 | 110 | 125 | 160 |
| 短系列 | 16 | 19 | 22 | 28 | 31.5 | 40 | 46 | 50 | 60 | 90 | 105 | 140 | |

