
产品介绍

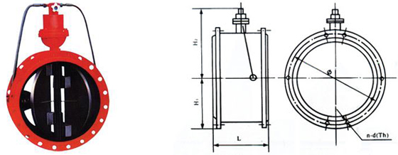
HH49X/H蝶式微阻缓闭止回阀结构图
适用范围
HH49X/H蝶式微阻缓闭止回阀用于石油、化工、食品、医药、给排水、能源系统中,安装在水泵出口,停泵时,阀板缓闭过程能有效的防止破坏性水锤,保证管线安全运行。适用于公称压力1 MPa,介质温度≤80%的清水、污水、海水等介质管道上,以及给、排水加压泵组上。通过本阀独特的微阻缓闭装置,能有效地防止水锤的发生,保证管路系统安全运行。
工作原理
当介质正向流过阀门时,阀板受介质压力作用下打开,由于阀板同时受弹簧扭矩和活塞组件的双重反作用力下,开启比较缓慢。当介质逆向流动时,扭转弹簧的弹力和介质的作用力使得蝶板关闭,当关闭到800 左右时,由于活塞组件的作用力使得蝶板缓慢的关闭,直到完全密封。达到了缓闭止回消声,防止水锤的作用。
结构特点
1、由于本止回阀设有微阻缓闭装置,能有效地防止水击现象的发生,保证管道正常运行。
2、本止回阀设计结构独特新颖,体积小、重量轻。
3、密封面为橡胶对金属的软密封,密封性能可靠。耐磨损,使用寿命长。
安装示意图

零件材质
| 零件名称 | 阀体 | 阀瓣 | 阀杆、油 缸、活塞 | 弹簧 | 阀座 |
| 材 料 | 铸铁、铸钢 | 碳钢 | 不锈钢 | 不锈钢 | 丁腈橡胶 |
技术参数
| 型号 | 公称 压力 PN(MPa) | 强度试验压力 | 密封 压力 (MPa) | 适用 温度 (℃) | 适用 介质 | 缓闭 时间 |
| HH49X/H | 1.0 | 1.5 | 1.1 | ≤80 | 清水 污水 海水 | ≤60秒 |
| 1.6 | 2.4 | 1.76 | ||||
| 2.5 | 3.75 | 2.75 |
外形尺寸表
| DN | H1 | H2 | L | φ | n-d(TH) | 重量 (kg) | |||||||||||||
| mm | in | 0.6 MPa | 1.0 MPa | 1.6 MPa | 2.5 MPa | 0.6 MPa | 1.0 MPa | 1.6 MPa | 2.5 MPa | 0.6 MPa | 1.0 MPa | 1.6 MPa | 2.5 MPa | 0.6 MPa | 1.0 MPa | 1.6 MPa | 2.5 MPa | ||
| 100 | 4 | 105 | 110 | 110 | 117.5 | 281 | 286 | 268 | 294 | 190 | 170 | 180 | 180 | 190 | 4-18 (M16) | 8-19 (M16) | 8-19 (M16) | 8-23 (M20) | 22.8 |
| 125 | 5 | 120 | 125 | 125 | 135 | 301 | 306 | 306 | 316 | 200 | 200 | 210 | 210 | 220 | 8-18 (M16) | 8-19 (M16) | 8-19 (M16) | 8-28 (M24) | 26.8 |
| 150 | 6 | 132.5 | 142.5 | 142.5 | 150 | 306 | 316 | 316 | 324 | 210 | 225 | 240 | 240 | 250 | 8-18 (M16) | 8-23 (M20) | 8-23 (M20) | 8-28 (M24) | 24.5 |
| 200 | 8 | 160 | 170 | 170 | 180 | 324 | 334 | 334 | 344 | 230 | 280 | 295 | 295 | 310 | 8-18 (M16) | 8-23 (M20) | 12-23 (M20) | 12-28 (M24) | 51 |
| 250 | 10 | 187.5 | 197.5 | 202.5 | 12.5 | 375 | 385 | 390 | 405 | 250 | 335 | 350 | 355 | 370 | 12-18 (M16) | 12-23 (M20) | 12-28 (M24) | 12-31 (M27) | 79 |
| 300 | 12 | 220 | 222.5 | 230 | 242.5 | 410.5 | 410.5 | 420 | 432 | 270 | 395 | 400 | 410 | 430 | 12-22 (M20) | 12-23 (M20) | 12-28 (M24) | 16-31 (M27) | 89 |
| 350 | 14 | 245 | 252.5 | 260 | 277.5 | 460 | 465 | 473 | 490 | 290 | 445 | 460 | 470 | 490 | 12-22 (M20) | 16-23 (M20) | 16-28 (M24) | 16-34 (M30) | 142 |
| 400 | 16 | 270 | 282 | 290 | 310 | 527 | 539.5 | 547 | 567 | 310 | 495 | 515 | 525 | 550 | 16-22 (M20) | 16-28 (M24) | 16-31 (M27) | 16-37 (M33) | 170 |
| 450 | 18 | 287.5 | 307.5 | 320 | 335 | 561.5 | 581.5 | 598 | 608.5 | 330 | 550 | 565 | 585 | 600 | 16-22 (M20) | 20-18 (M24) | 20-31 (M27) | 20-37 (M33) | 206 |
| 500 | 20 | 322.5 | 335 | 357.5 | 365 | 612 | 623 | 645 | 655 | 350 | 600 | 620 | 650 | 660 | 20-22 (M20) | 20-28 (M24) | 20-34 (M30) | 20-37 (M33) | 315 |
| 600 | 24 | 377.5 | 390 | 688 | 700 | 390 | 705 | 725 | 20-26 (M24) | 20-31 (M27) | 373 | ||||||||
| 700 | 28 | 430 | 447.5 | 755 | 770.5 | 430 | 810 | 840 | 24-26 (M24) | 24-31 (M27) | 517 | ||||||||
| 800 | 32 | 487.5 | 507.5 | 858 | 872.5 | 470 | 920 | 950 | 24-30 (M27) | 24-34 (M30) | 720 | ||||||||
| 900 | 36 | 537.5 | 557.5 | 900 | 920.5 | 510 | 1020 | 1050 | 24-30 (M27) | 28-34 (M30) | 905 | ||||||||
| 1000 | 40 | 587.5 | 615 | 975 | 1003 | 550 | 1120 | 1160 | 28-30 (M27) | 28-37 (M33) | 1650 | ||||||||
| 1200 | 48 | 702.5 | 727.5 | 1238 | 1262.5 | 630 | 1340 | 1380 | 32-33 (M30) | 32-40 (M36) | 2200 | ||||||||
| 1400 | 56 | 815 | 837.5 | 1385 | 1405.5 | 710 | 1560 | 1590 | 36-36 (M33) | 36-43 (M39) | 2860 | ||||||||
| 1600 | 64 | 915 | 957.5 | 1473 | 1512.5 | 790 | 1760 | 1820 | 40-36 (M33) | 40-49 (M45) | 3550 | ||||||||

