
产品介绍

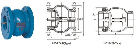
HC41X消声止回阀结构图
适用范围
HC41X消声止回阀安装在水泵出口管路上用于水泵停机时防止管路中水锤冲击水泵倒转和保护管路的安全。该消声止回阀体积小、重量轻,便于安装检修,有导向装置,关闭灵活、线性密封、止回效果佳,可有效地消除关闭噪音。适用于给排水、消防、暖通等有关水泵出口处,以防止介质倒流及水锤对泵与管路的损害。
技术参数
| 公称压力 PN(MPa) | 1.0 | 1.6 | 2.5 | |
| 试验压力(MPa) | 壳体强度 | 1.5 | 2.4 | 3.75 |
| 密封性能 | 1.1 | 1.76 | 2.75 | |
| 工作温度 (℃) | ≤80 | |||
| 适用介质 | 水 、油品 | |||
零件材质
| 零件名称 | 阀体、阀座 | 阀瓣 Flap | 密封面 | 弹簧 |
| 材 质 | 铸铁 、铸钢铸铜 、 不锈钢 | 铸铜、不锈铜 | 橡胶 | 不锈钢 |
HC41X外形尺寸表
| 公称通径 DN(mm) | L | PN10 | PN16 | PN25 | |||||||||||||||
| b | f | D2 | D | D1 | Z-φd | b | f | D2 | D | D1 | Z-φd | b | f | D2 | D | D1 | Z-φd | ||
| 40 | 100 | 18 | 2 | 85 | 150 | 110 | 4-18 | 18 | 2 | 85 | 150 | 110 | 4-18 | 18 | 2 | 85 | 150 | 110 | 4-18 |
| 50 | 100 | 20 | 3 | 102 | 165 | 125 | 4-18 | 20 | 3 | 102 | 165 | 125 | 4-18 | 20 | 3 | 99 | 165 | 125 | 4-18 |
| 65 | 120 | 20 | 3 | 122 | 185 | 145 | 4-18 | 20 | 3 | 122 | 185 | 145 | 4-18 | 22 | 3 | 118 | 185 | 145 | 8-18 |
| 80 | 140 | 22 | 3 | 133 | 200 | 160 | 8-18 | 22 | 3 | 133 | 200 | 160 | 8-18 | 24 | 3 | 132 | 200 | 160 | 8-18 |
| 100 | 160 | 24 | 3 | 158 | 220 | 180 | 8-18 | 24 | 3 | 158 | 220 | 180 | 8-18 | 24 | 3 | 156 | 235 | 190 | 8-22 |
| 125 | 180 | 26 | 3 | 184 | 250 | 210 | 8-18 | 26 | 3 | 184 | 250 | 210 | 8-18 | 26 | 3 | 184 | 270 | 220 | 8-26 |
| 150 | 200 | 26 | 3 | 212 | 285 | 240 | 8-22 | 26 | 3 | 212 | 285 | 240 | 8-22 | 28 | 3 | 211 | 300 | 250 | 8-26 |
| 200 | 220 | 28 | 3 | 268 | 340 | 295 | 8-22 | 30 | 3 | 268 | 340 | 295 | 12-22 | 30 | 3 | 274 | 360 | 310 | 12-26 |
| 250 | 240 | 28 | 3 | 320 | 395 | 350 | 12-22 | 32 | 3 | 320 | 405 | 355 | 12-26 | 32 | 3 | 330 | 425 | 370 | 12-30 |
| 300 | 280 | 28 | 4 | 370 | 445 | 400 | 12-22 | 32 | 4 | 370 | 460 | 410 | 12-26 | 34 | 4 | 389 | 485 | 430 | 16-30 |
| 350 | 320 | 30 | 4 | 428 | 500 | 460 | 16-22 | 36 | 4 | 428 | 520 | 470 | 16-26 | 38 | 4 | 450 | 555 | 490 | 16-33 |
| 400 | 360 | 32 | 4 | 482 | 565 | 515 | 16-26 | 38 | 4 | 482 | 580 | 525 | 16-80 | 40 | 4 | 505 | 620 | 550 | 16-86 |
| 450 | 400 | 32 | 4 | 532 | 615 | 565 | 20-26 | 40 | 4 | 532 | 640 | 585 | 20-30 | 42 | 4 | 555 | 670 | 600 | 20-36 |
| 500 | 440 | 34 | 4 | 585 | 670 | 620 | 20-26 | 42 | 4 | 585 | 715 | 650 | 20-33 | 44 | 4 | 615 | 730 | 660 | 20-36 |
HC11X外形尺寸表
| 公称通径DN(mm) | L | G | D |
| 15 | 65 | 1/2" | 45 |
| 20 | 75 | 3/4" | 48 |
| 25 | 90 | 1" | 58 |
| 32 | 105 | 1¼" | 66 |
| 40 | 120 | 1½" | 74 |
| 50 | 140 | 2" | 89 |

